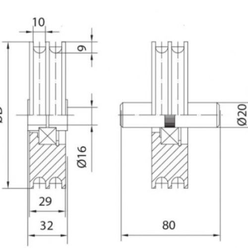
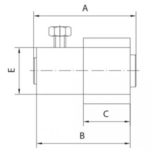
Herrajes puertas elevables