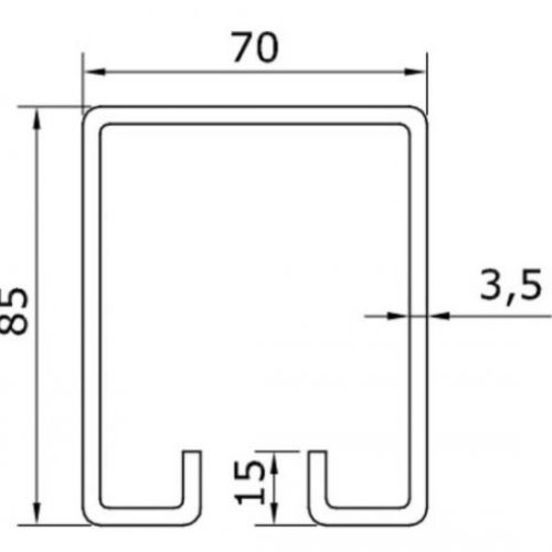
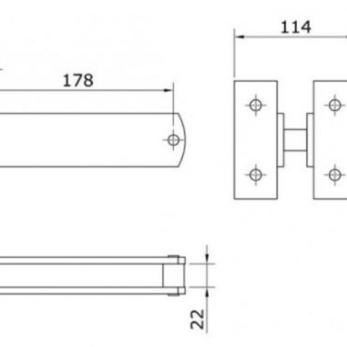
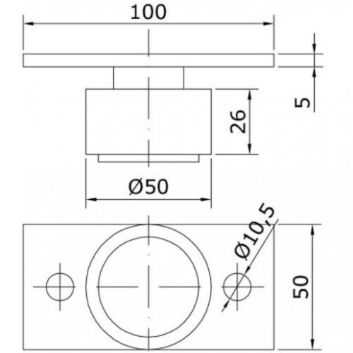
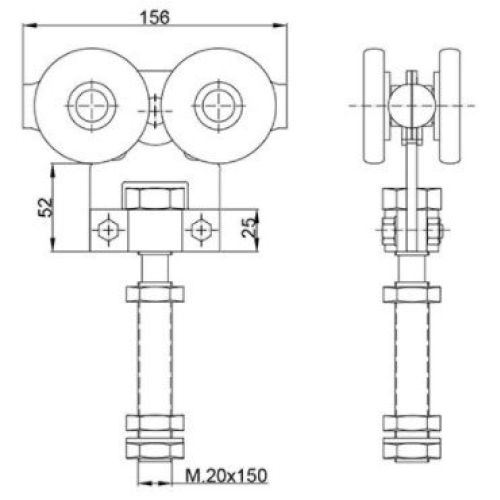
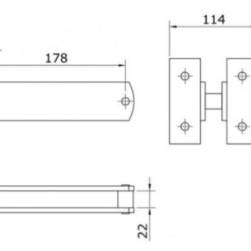
U70