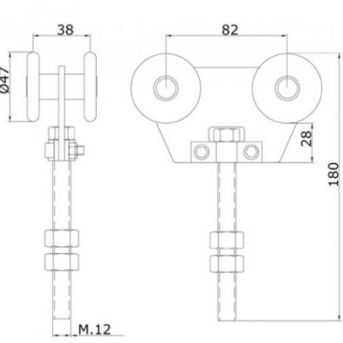
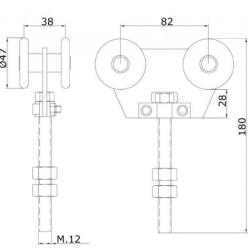
U60